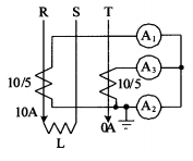
26. 如下圖所示 , 三相電路連接單相負載 L,電流表 A1 指示 5A 時,電流表 A2 指示應為 
(A)0A
(B)5A
(C)10A
(D)20A。

(A)0A
(B)5A
(C)10A
(D)20A。
答案:登入後查看
統計: A(44), B(11), C(2), D(0), E(0) #650343
統計: A(44), B(11), C(2), D(0), E(0) #650343
詳解 (共 1 筆)
#1680857
原本:如下圖所示 , 三相電路連接單相負載 L,電流表 A 指示 5A 時,電流表 A 指示應為
應改:如下圖所示 , 三相電路連接單相負載 L,電流表 A1指示 5A 時,電流表 A2指示應為
0
1