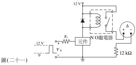
33. 圖 ( 二十一 ) 所示,脈波電壓 v s的低電壓準位為 0 V,高電壓準位為 12 V;電阻 R1為限流電阻,可避免元件因過載操作而損壞,亦可確保元件進入飽和區操作。當
為 0 V 時, 電流錶量測到1mA,且該元件作為開關使用,則應為下列哪種元件?

(A) NPN雙極性接面電晶體
(B) PNP雙極性接面電晶體
(C) NPN單接面電晶體
(D) PNP單接面電晶體
答案:登入後查看
統計: A(7), B(9), C(11), D(3), E(0) #3830769
統計: A(7), B(9), C(11), D(3), E(0) #3830769