37 固定式泡沫滅火設備(低發泡)進行綜合檢查作業時,下列敘述何者錯誤?
(A)設置泡沫頭者,每次選擇全部放射區域數之 25%以上之放射區域,進行逐區放水試驗
(B)進行泡沫放射檢查時,其發泡倍率應在 5 倍以上,其混合比率應為設計時之稀釋容量濃度
(C)蛋白泡沫滅火藥劑之低發泡者,發泡倍率測定器具含 1400 ml 容器 2 個、泡沫試料採集器 1 個、量秤 1 個
(D)水成膜泡沫滅火藥劑發泡者,發泡倍率測定器具含 1000 ml 量筒 2 個、泡沫試料採集器 1 個、1000 g 計量器 1 個
統計: A(1179), B(172), C(251), D(201), E(0) #3111741
詳解 (共 4 筆)
三、綜合檢查
(一)固定式泡沫滅火設備(低發泡)
1、檢查方法
切換成緊急電源供電狀態,藉由手動啟動裝置之操作或自動啟動裝置之動作,確認系統之性能是否正常。另外,放射分布、發泡倍率、放射壓力及混合比率依下列方法確認。
(1)設置泡沫頭者,每次選擇全部放射區域數之 20%以上之放射區域,進行逐區放水試驗,測其放射分布及放射壓力。
(2)在上述之放射區域中,於距加壓送水裝置最遠之放射區域進行泡沫放射,再依附表之發泡倍率及 25%還原時間測定方法,測其發泡倍率及 25%還原時間。並在測定發泡倍率時,使用其所採取之 泡水溶液,利用糖度計法或比色計法,測其混合比率。
2、判定方法
(1)幫浦方式
A.啟動性能
(A)加壓送水裝置應能確實啟動。
B.一齊開放閥 一齊開放閥應正常動作。
C.放射分布等
(B)在進行泡沫放射檢查時,其發泡倍率應在 5 倍以上,其混合比率應為設計時之稀釋容量濃度。


<消防安全設備及必要檢修項目檢修基準>
公發布日: 109/08/21
第七章 泡沫滅火設備
三、綜合檢查
(一)固定式泡沫滅火設備(低發泡)
1、檢查方法
切換成緊急電源供電狀態,藉由手動啟動裝置之操作或自動啟動裝置之動作,確認系統之性能是否正常。另外,放射分布、發泡倍率、放射壓力及混合比率依下列方法確認。
(1)設置泡沫頭者,每次選擇全部放射區域數之 20%以上之放射區域,進行逐區放水試驗,測其放射分布及放射壓力。(A)
(2)在上述之放射區域中,於距加壓送水裝置最遠之放射區域進行泡沫放射,再依附表之發泡倍率及 25%還原時間測定方法,測其發泡倍率及 25%還原時間。並在測定發泡倍率時,使用其所採取之泡水溶液,利用糖度計法或比色計法,測其混合比率。
2、判定方法
(1)幫浦方式
A.啟動性能
(A)加壓送水裝置能確實啟動。
(B)表示、警報等性能應正常。
(C)電動機之運轉電流應在容許範圍內。
(D)運轉中應無不規則、不連續之雜音或異常之震動、發熱等。
B.一齊開放閥
一齊開放閥應正常動作。
C.放射分布等
(A)在進行泡沫頭放水試驗時,其放射分布及放射壓力應符合設計圖說。
(B)在進行泡沫放射檢查時,其發泡倍率應在5倍以上,其混合比率應為設計時之稀釋容量濃度。(B)
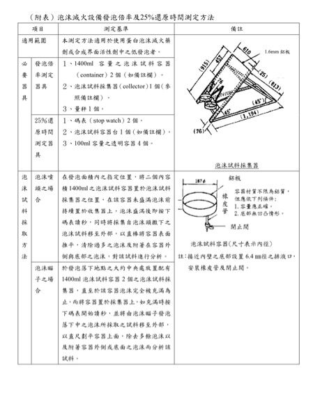
(附表)泡沫滅火設備發泡倍率及25%還原時間測定方法
#本測定方法適用於使用蛋白泡沫滅火藥劑或合成界面活性劑中之低發泡者。
必要器具:
-發泡倍率測定器具:1、1400ml 容 量 之 泡 沫 試 料 容 器
(container)2 個(如備註欄)。2、泡沫試料採集器(collector)1 個(參照備註欄)。3、量秤 1 個。(C)
-25%還原時間測定器具: 1、碼表(stop watch)2 個。2、泡沫試料容器台 1 個(如備註欄)。3、100ml 容量之透明容器 4 個。
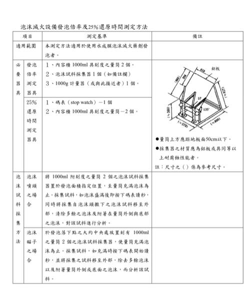
#本測定方法適用於使用水成膜泡沫滅火藥劑發泡者。
必要器具:
-發泡倍率測定器具:1、內容積 1000ml 具刻度之量筒 2 個。2、泡沫試料採集器 1 個(如備註欄)3、1000g 計量器(或與此接近者)1 個。(D)
-25%還原時間測定器具: 1、碼表(stop watch)-1 個 2、內容積 1000ml 具刻度之量筒-2 個。