阿摩線上測驗 登入

試題詳解

試卷:114年 - 11600 電力電子 乙級 工作項目 06:邏輯與數位系統 1-61(2025/12/12 更新)#134847 | 科目:技檢◆電力電子-乙級

試卷資訊

試卷名稱:114年 - 11600 電力電子 乙級 工作項目 06:邏輯與數位系統 1-61(2025/12/12 更新)#134847

年份:114年

科目:技檢◆電力電子-乙級

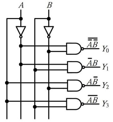
41. 下圖所示電路中,A、B 是輸入端,Y0到 Y3是輸出端,這是什麼電路?


(A)高態動作 2 對 4 解碼器
(B)高態動作 2 對 4 多工器
(C)低態動作 2 對 4 解碼器
(D)低態動作 2 對 4 多工器 。

正確答案:登入後查看