阿摩線上測驗 登入

試題詳解

試卷:113年 - 113-1 全國技術士技能檢定學科_甲級:02000汽車修護#127880 | 科目:技檢◆汽車修護-甲級

試卷資訊

試卷名稱:113年 - 113-1 全國技術士技能檢定學科_甲級:02000汽車修護#127880

年份:113年

科目:技檢◆汽車修護-甲級

複選題

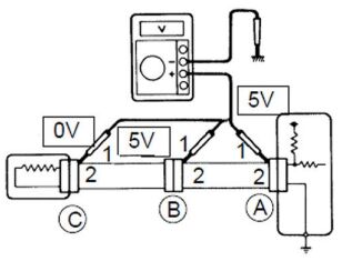
78.如圖所示使用三用電錶檢測A、B、C接頭之1與2電路,測得A1=5V、B1=5V、C1=0V,維修方式下列敘述何者錯誤?


(A)更換控制電腦
(B)另外接搭鐵線使搭鐵正常
(C)更換感知器
(D)更換B接頭至C接頭間之線束。

正確答案:登入後查看

詳解 (共 1 筆)

推薦的詳解#6720954
未解鎖
題目解析 在這道複選題中,三用電錶檢測...
(共 875 字,隱藏中)
前往觀看
0
0