阿摩線上測驗 登入

試題詳解

試卷:113年 - 113-1 全國技術士技能檢定學科_乙級:11600電力電子#127887 | 科目:技檢◆電力電子-乙級

試卷資訊

試卷名稱:113年 - 113-1 全國技術士技能檢定學科_乙級:11600電力電子#127887

年份:113年

科目:技檢◆電力電子-乙級

複選題

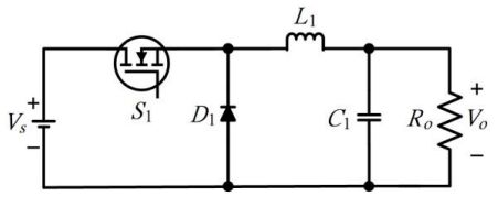
79. 下圖為降壓型轉換器,開關元件 S1 的切換頻率為 100kHz,輸入電壓為 12V,輸出電壓 為3V,若電感電流為連續模式操作,則下列哪些選項為正確?


(A)開關元件 S1 的導通責任週期為 0.5
(B)開關元件 S1 的截止狀態時間為 7.5μs
(C)開關元件 S1 的導通狀態時間為 2.5μs
(D)開關元件 S1 的導通責任週期為 0.25。

正確答案:登入後查看

詳解 (共 1 筆)

推薦的詳解#6720362
未解鎖
1. 題目解析 這道題目涉及降壓型轉換器...
(共 958 字,隱藏中)
前往觀看
0
0