阿摩線上測驗
登入
首頁
>
基本電學(概要)
>
111年 - 111 關務特種考試_四等_電機工程:基本電學#107497
> 申論題
申論題
試卷:111年 - 111 關務特種考試_四等_電機工程:基本電學#107497
科目:基本電學(概要)
年份:111年
排序:0
申論題資訊
試卷:
111年 - 111 關務特種考試_四等_電機工程:基本電學#107497
科目:
基本電學(概要)
年份:
111年
排序:
0
題組內容
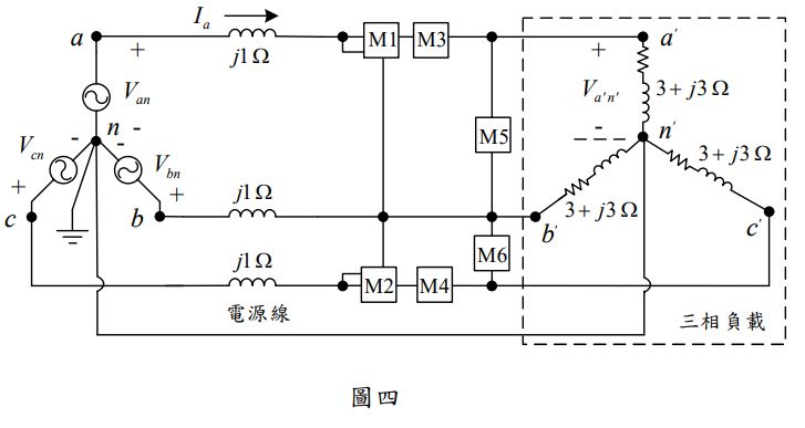
四、圖四為一個三相、四線式平衡交流電路,圖中裝置有六個電表 M1~M6, 其中包含電流表、電壓表、瓦特表,三相負載側線電壓的有效值為 381 伏。
申論題內容
(一)試計算此三相負載吸收的複數功率,與功率因數。(15 分)