題組內容
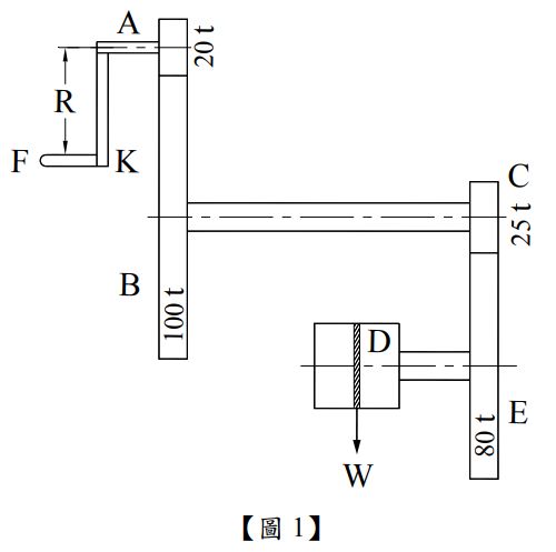
4.如【圖 1】所示之起重機輪系,曲柄長度 R 為 30 cm,捲筒之直徑 D=15 cm,若不計摩擦損耗。
(1)要提起 W=1600 kg 之重物時,其輪系值為何?
詳解 (共 1 筆)
詳解
4.如【圖 1】所示之起重機輪系,曲柄長度 R 為 30 cm,捲筒之直徑 D=15 cm,若不計摩擦損耗。