阿摩線上測驗
登入
首頁
>
電工學(電工原理)
>
107年 - 107 專技高考_機械工程技師:電工學(包括電機機械)#73007
> 申論題
申論題
試卷:107年 - 107 專技高考_機械工程技師:電工學(包括電機機械)#73007
科目:電工學(電工原理)
年份:107年
排序:0
申論題資訊
試卷:
107年 - 107 專技高考_機械工程技師:電工學(包括電機機械)#73007
科目:
電工學(電工原理)
年份:
107年
排序:
0
題組內容
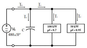
二、下圖所示之交流電路,其中 100 kW 為滯後負載;50 kW 為超前負載, 頻率為 60 Hz。(每小題 10 分,共 20 分)
申論題內容
⑴透過功率因數(pf)修正,試求出使電路功率因數達到 1.0 所需之電 容 C 值。