題組內容
一、您的客戶有以下待釐清之問題,除下列各子題所列條件外,並無其他 先前技術,請提供詳細說明。
【A案】儲料桶
【實施方式】
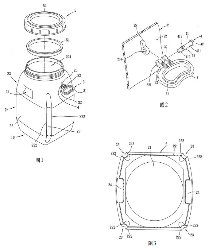
參閱圖1、2、3,本新型儲料桶10之一較佳實施例,包含:一個中空且呈 多邊形的桶身2、兩個安裝在該桶身2兩相反側外的提耳3、兩個長桿狀且 分別將該等提耳3樞接在該桶身2上的樞接件4。及一個蓋設在該桶身2上的桶蓋5。該桶身2包括一個位在下方且呈多邊形的底壁21、一個自該底壁21 周緣向上延伸的桶側壁22、四個由該桶側壁22轉角處凹陷而形成且上下延 伸的補強溝23、兩個由該桶側壁22凹陷而形成的夾運空間24,及兩個連接 在該桶側壁22兩相反側外的安裝突塊25。該底壁21約略呈矩形。該桶側壁 22的圈圍該底壁21而略呈矩形,並朝上下收束,且在上方圈繞出一圓形的開口221。所述桶側壁22具有數個上下延伸的補強邊222。該等補強邊222 成對地對應於該等補強溝23,而分別位在每一補強溝23的兩相反側邊。該 等補強溝23是長形延伸,並且間隔地環形排列在該桶側壁22外。本實施例 的補強溝23是分別對應於矩形的四個轉角的位置,也就是說該桶側壁22的 橫截面是呈四個轉角內凹的矩形,此外,該等補強邊222即是藉由凹陷的 該等補強溝23而產生。該等夾運空間24是彼此相背,而分別位在該桶側壁 22的兩相反側,並且是呈尖端朝下的三角柱形空間。所述安裝突塊25與該 等夾運空間24間隔交錯,且環形排列在該桶側壁22外。每一安裝突塊25都 具有一個水平貫穿的組裝孔251。該等提耳3是分別樞接在該等安裝突塊25 上,並且每一提耳3都包括一個環狀的手把部31,及兩個連接在該手把部 31一側的組裝部32。每一組裝部32都具有一個貫穿的銜接孔321。該手把 部31約呈橢圓環形,而該等組裝部32呈長形而突出在該手把部31的一側, 並且彼此平行間隔,因此該等銜接孔321是彼此相對而連通。該等樞接件 4可穿設在該等銜接孔321與組裝孔251中,而將該等提耳3分別樞接在該等 安裝突塊25上。每一樞接件4都包括一個位在該等銜接孔321與組裝孔251 內的桿身部41、一個連接在該桿身部41一端的卡抵部42,及一個環繞地突 出該桿身部41的防脫部43。該桿身部41具有一連接該卡抵部42的卡抵端 411、一與該卡抵端411分別位在兩相反端的穿伸端412,及一沿長度方向 延伸且貫穿的彈性槽413。該穿伸端412呈錐狀,而朝末端逐漸變細。該彈 性槽413貫穿該穿伸端412。而該防脫部43呈環狀地圍繞該穿伸端412並突 出該穿伸端412。該桶蓋5包括一個塞裝在該桶身2的開口221內的內蓋部 51,及一個螺裝在該桶身2上的外蓋部52。在將該桶身2與該等提耳3組裝 時,以組裝其中一個提耳3來說明,是先將該提耳3的該等組裝部32夾靠在 該桶身2的安裝突塊25的兩側,使該提耳3的銜接孔321與該安裝突塊25的 組裝孔251連通,接著將該樞接件4的穿伸端412穿過所述銜接孔321與組裝 孔251,當該穿伸端412要穿入該銜接孔321時,該防脫部43會抵靠在該銜 接孔321外,再進一步推動該樞接件4使該銜接孔321周圍的壁面壓迫該防 脫部43,而朝彈性槽413內彎,此時該樞接件4可順利地穿過該等銜接孔321 與組裝孔251,並且在該防脫部43穿出另一側的銜接孔321後,可恢復至回 來的位置,也就是不朝該彈性槽413內彎,因此其可抵靠在該組裝部32外, 換言之,該樞接件4將該提耳3組裝在該安裝突塊上25時,該樞接件4的防 脫部43與卡抵部42是分別抵靠在該提耳兩相反側,而防止脫落。
【請求項1】一種儲料桶,包含有:
一個桶身,呈多邊形且中空,並包括一個位在下方且呈多邊形 之一底壁、一個自該底壁周緣向上延伸之一桶側壁,及數個上 下長形延伸且由該桶側壁的轉角處凹陷地形成之一補強溝, 該桶側壁具有數個上下延伸且分別成對地對應於該等補強溝 而分別位在每一個補強溝的兩相反側邊緣之一補強邊;及一個蓋設在該桶身上之一桶蓋。
【B案】儲料桶
【實施方式】
與【A案】相較,並無【及一個蓋設在該桶身2上的桶蓋5。】暨【該桶蓋 5包括一個塞裝在該桶身2的開口221內的內蓋部51,及一個螺裝在該桶身 2上的外蓋部52。】等元件。
【請求項1】一種儲料桶,包含有:
一個桶身,呈多邊形且中空,並包括一個位在下方且呈多邊形 之一底壁、一個自該底壁周緣向上延伸之一桶側壁,及數個上 下長形延伸且由該桶側壁的轉角處凹陷地形成之一補強溝, 該桶側壁具有數個上下延伸且分別成對地對應於該等補強溝而分別位在每一個補強溝的兩相反側邊緣之一補強邊。
【C案】儲料桶
【實施方式】
更進一步揭示一實施例,其桶身2之材質為金屬;其餘內容同【A案】。
【圖式】
同【A案】。
【請求項1】一種儲料桶,包含有:
一個金屬桶身,呈多邊形且中空,並包括一個位在下方且呈 多邊形之一底壁、一個自該底壁周緣向上延伸之一桶側壁,及 數個上下長形延伸且由該桶側壁的轉角處凹陷地形成之一補 強溝,該桶側壁具有數個上下延伸且分別成對地對應於該等 補強溝而分別位在每一個補強溝的兩相反側邊緣之一補強 邊;及一個蓋設在該桶身上之一桶蓋。
【D案】儲料桶
【實施方式】
更進一步揭示一實施例,其桶身2之材質為鋁合金;其餘內容同【A案】。
【圖式】
同【A案】。
【請求項1】一種儲料桶,包含有:
一個鋁合金桶身,呈多邊形且中空,並包括一個位在下方且呈 多邊形之一底壁、一個自該底壁周緣向上延伸之一桶側壁,及 數個上下長形延伸且由該桶側壁的轉角處凹陷地形成之一補 強溝,該桶側壁具有數個上下延伸且分別成對地對應於該等 補強溝而分別位在每一個補強溝的兩相反側邊緣之一補強 邊;及一個蓋設在該桶身上之一桶蓋。
【E案】儲料桶
【實施方式】
更進一步揭示一實施例,將該等提耳樞接在該桶側壁上之安裝突塊的樞接件為螺栓;其餘內容同【A案】。
【圖式】
樞接件4為螺栓;其餘內容同【A案】。
【請求項1】一種儲料桶,包含有:
一個桶身,呈多邊形且中空,並包括一個位在下方且呈多邊形 之一底壁、一個自該底壁周緣向上延伸之一桶側壁,及數個上 下長形延伸且由該桶側壁的轉角處凹陷地形成之一補強溝, 該桶側壁具有數個上下延伸且分別成對地對應於該等補強溝而分別位在每一個補強溝的兩相反側邊緣之一補強邊;數個 分別安裝在該桶側壁外之提耳;數個分別將該等提耳樞接在該桶側壁上之安裝突塊的螺栓;及一個蓋設在該桶身上之一桶蓋。
【F案】儲料桶
【實施方式】
更進一步揭示一實施例,將該等提耳樞接在該桶側壁上之安裝突塊的樞接件為螺釘;其餘內容同【A案】。
【圖式】
樞接件4為螺釘;其餘內容同【A案】。
【請求項1】
同【A案】之【請求項1】。
(一)【B案】為發明專利申請案,【A案】為先前技術;請說明【B案】 是否具新穎性?(10分)