題組內容
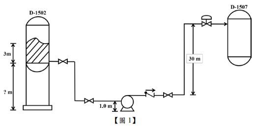
四、NPSH (Net Positive Suction Head)可判斷是否會產生空蝕泵現象之方式,若低溫工場 D-1502(丙烯冷媒壓縮機二級進口分液罐)與 D-1507(液態丙烯積液槽)之間需新增一座泵, 已知流體的物性與操作條件如【圖 1】:丙烯密度 36.4 (lbm) ft3 ⁄ 、丙烯蒸氣壓與 D-1502 之操作壓力皆為 19.1 psig,D-1507 之操作壓力為 5.83 psig,請計算並回答下列問題(請以 ft 計算至小數點後第 2 位,以下四捨五入):
四、NPSH (Net Positive Suction Head)可判斷是否會產生空蝕泵現象之方式,若低溫工場 D-1502(丙烯冷媒壓縮機二級進口分液罐)與 D-1507(液態丙烯積液槽)之間需新增一座泵, 已知流體的物性與操作條件如【圖 1】:丙烯密度 36.4 (lbm) ft3 ⁄ 、丙烯蒸氣壓與 D-1502 之操作壓力皆為 19.1 psig,D-1507 之操作壓力為 5.83 psig,請計算並回答下列問題(請以 ft 計算至小數點後第 2 位,以下四捨五入):