題組內容
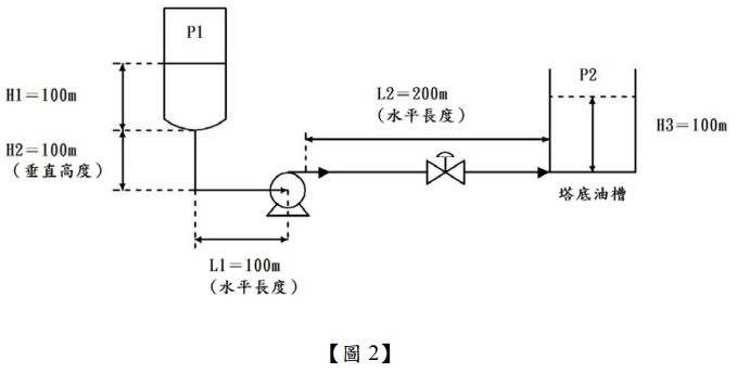
三、某蒸餾塔塔底油計畫以泵輸送至塔底油槽如【圖 2】,若輸送量 10 m3/h,塔底油密度 1000 kg/m3,塔底油蒸氣壓 2 kgf/cm2,蒸餾塔塔底液面高度 H1 = 100 m,液面上方絕對壓力 P1 = 2 kgf/cm2。塔底油槽液面高度 H3 = 100 m,液面上方絕對壓力 P2 = 1 kgf/cm2。管線規劃如【圖 2】,蒸餾塔塔底至泵入口無任何管件,泵出口至塔底油槽設有一個控制閥,閥相當管長(Equivalent length)是 50 m。每 30.48 m 的直管管線壓損為 1 kgf/cm2,請回答下列 問題:(20 分,每小題 10 分)
(一) F 牌泵的需求正吸揚程(NPSH Required)是 50 m,請問這個泵合用嗎?請詳述之。