題組內容
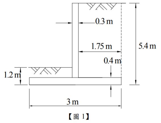
二、如【圖 1】所示,懸臂式擋土牆,土壤單位重 γ= 18 kN⁄m3 ,c=0、∅=35∘ ,擋土牆單 位重 γ = 24 kN⁄m3 ,牆底與土壤間抗剪角δ = 25∘ ,牆前被動土壓力假設可忽略, 地下水位在牆底面下方,請計算並回答下列問題:(計算至小數點後第 2 位,以下 四捨五入)(20 分)
二、如【圖 1】所示,懸臂式擋土牆,土壤單位重 γ= 18 kN⁄m3 ,c=0、∅=35∘ ,擋土牆單 位重 γ = 24 kN⁄m3 ,牆底與土壤間抗剪角δ = 25∘ ,牆前被動土壓力假設可忽略, 地下水位在牆底面下方,請計算並回答下列問題:(計算至小數點後第 2 位,以下 四捨五入)(20 分)