題組內容
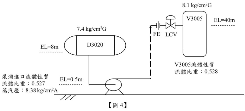
四、某一穩定塔回流槽底部泵浦須將塔頂產物以流量 10 m3 /hr由回流槽(D3020)送回穩定塔 (V3005),已知流體物性與操作條件如【圖 4】所示。已知大氣壓力為 1.03 kg/cm2 A,進口管線壓損約為0.04 kg/cm2 ,出口管線壓損約為 1.0 kg/cm2,流量計壓損約為 0.25 kg/cm2,控制閥於 50 %開度時壓損約為 0.7 kg/cm2 ,請回答下列問題:(3 題,共計 20 分) 
四、某一穩定塔回流槽底部泵浦須將塔頂產物以流量 10 m3 /hr由回流槽(D3020)送回穩定塔 (V3005),已知流體物性與操作條件如【圖 4】所示。已知大氣壓力為 1.03 kg/cm2 A,進口管線壓損約為0.04 kg/cm2 ,出口管線壓損約為 1.0 kg/cm2,流量計壓損約為 0.25 kg/cm2,控制閥於 50 %開度時壓損約為 0.7 kg/cm2 ,請回答下列問題:(3 題,共計 20 分) 