阿摩線上測驗
登入
首頁
>
電子學
>
110年 - 110 中央印製廠_新進人員甄試_電機工程員:電子學#105282
>
題組內容
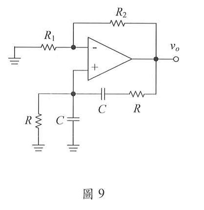
題目九:【10分】
如圖9所示之電路為一韋恩(Wien)正弦波振盪電路,假設R=2kΩ,C=1μF。試說明正弦波振盪的條件:
(3)振盪的頻率f為何【3分】?
其他申論題
(b)當=1+0.001sin(104t)V,=1-0.001si(104t)V時,求輸出電壓Vo。【4分】
#446580
(c)求此電路之輸出阻抗Ro。【2分】
#446581
(1)巴克豪森準則(Barkhausen criterion)【4分】
#446582
(2)此電路產生振盪時,R2/R1的比值為何【3分】
#446583
(一)總和彈簧常數為何?【5分]
#446585
(二)若負重為100N,總伸長量為何?【5分]
#446586
(一)最大壓力。【5分]
#446587
(二)扭矩容量。【5分
#446588
(一)最大壓力。【5分】
#446589
(二)扭矩容量。【5分】
#446590