阿摩線上測驗
登入
首頁
>
電力系統
>
103年 - 103年地方考三等_電力工程#31174
> 申論題
申論題
試卷:103年 - 103年地方考三等_電力工程#31174
科目:電力系統
年份:103年
排序:0
申論題資訊
試卷:
103年 - 103年地方考三等_電力工程#31174
科目:
電力系統
年份:
103年
排序:
0
題組內容
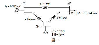
二、考慮如圖一所示之電力系統單線圖,擬進行電力潮流分析。假設傳輸線均為短程輸 電線路,所需參數之標么值如圖所示:
申論題內容
(3)試以牛頓(Newton)法進行電力潮流一次疊代計算,假設初始條件為平滑啟動 (Flat Start)。(10 分)