題組內容
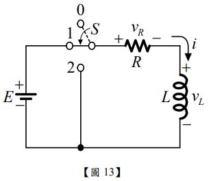
2. 如【圖 13】所示,假設 E = 20 V,R = 5 Ω,L = 5 H,若將開關 S 由位置"0"切換至"1",
試求:

(3) t ≧ 5 秒時之 
(註:
= 0.368、
= 0.135、
= 0.05)
詳解 (共 1 筆)
詳解


(3) t ≧ 5 秒時之 
(註:
= 0.368、
= 0.135、
= 0.05)
