阿摩線上測驗 登入

申論題資訊

試卷:110年 - 110 國立臺灣大學_碩士班招生考試_部分系所:計算機結構與作業系統(B)#102077
科目:台大◆資工◆計算機結構與作業系統(B)
年份:110年
排序:0

題組內容

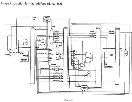
7.(25 pts) Consider a 5-stage (IF, ID, EX, MEM, WB) RISC-V pipelined processor (Figure 1) composed of logic blocks with the following latency (any unspecified block latency is treated as O):
6166383fb6d4f.jpg6166386a2f5d6.jpg6166389171eed.jpg

申論題內容

(a) (10 pts) Which pipeline stage determines the clock cycle time?