阿摩線上測驗
登入
首頁
>
升資考/佐級晉員級◆電工原理概要
>
106年 - 106 交通事業鐵路升資考試_佐級晉員級_技術類(選試電工原理概要):電工原理概要#66003
>
題組內容
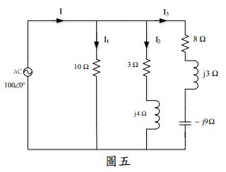
五、圖五為交流電路,試求:
⑴分支電流 I
1
。
其他申論題
⑵電流為多少安培?
#264171
⑴試問 為何值時,可獲得最大功率轉移?
#264172
⑴通過電阻 之電流 為何值?
#264173
⑵電阻 消耗的功 率為多少(W)?
#264174
⑵分支電流 I2。
#264176
⑶分支電流 I3。
#264177
⑷總電流 I。
#264178
⑴二次側負載電流 I2(A)。
#264179
⑵一次側電流 I1(A)。
#264180
⑵試求其最大功率值 (W)?
#264181