阿摩線上測驗
登入
首頁
>
基本電學(概要)
>
108年 - 108 普通考試_電力工程、電子工程、電信工程:基本電學#78090
> 申論題
申論題
試卷:108年 - 108 普通考試_電力工程、電子工程、電信工程:基本電學#78090
科目:基本電學(概要)
年份:108年
排序:2
申論題資訊
試卷:
108年 - 108 普通考試_電力工程、電子工程、電信工程:基本電學#78090
科目:
基本電學(概要)
年份:
108年
排序:
2
題組內容
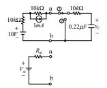
二、如圖二所示之電路
申論題內容
⑴求出 a,b 兩點左邊之戴維寧等效電路(即求出如 圖下方之 Vth 與 Rth)。(7 分)