阿摩線上測驗
登入
首頁
>
電路學
>
103年 - 103 專技高考_電子工程技師:電路學#24844
> 申論題
申論題
試卷:103年 - 103 專技高考_電子工程技師:電路學#24844
科目:電路學
年份:103年
排序:0
申論題資訊
試卷:
103年 - 103 專技高考_電子工程技師:電路學#24844
科目:
電路學
年份:
103年
排序:
0
題組內容
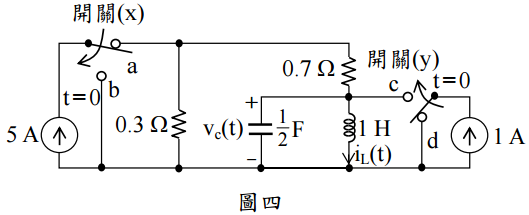
四、如圖四之電路,開關(x)已經閉合在“a”一段很長時間,且開關(y)已經閉合在“d”一段很長時間。而在時間 0 時,開關(x)瞬間移動到“b”,開關(y)瞬間移動到“c”。
申論題內容
⑴求出 i
L
(t)在 t ≥ 0 之微分方程。(8 分)
詳解 (共 1 筆)
詳解
提供者:佛系考生
iL(0)=1.5 vc(0)=0 iL" + 1/RC * iL' + 1/LC * iL = 1/LC iL" + 2 iL' +2iL =2