阿摩線上測驗 登入

申論題資訊

試卷:108年 - 108 普通考試_電力工程、電子工程、電信工程:基本電學#78090
科目:基本電學(概要)
年份:108年
排序:5

題組內容

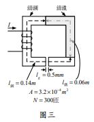
三、如圖三所示之鐵芯,由鑄鋼、鑄鐵及氣隙組成,若鐵芯上之磁通量Φ 為 0.128 mWb,則5d2d806045646.jpg

申論題內容

⑴流過氣隙之磁通密度 Bg 值為何?(5 分)