阿摩線上測驗
登入
首頁
>
電力電子學
>
102年 - 102 高等考試_二級_電力工程:電力電子#44026
>
題組內容
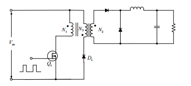
二、
⑴為何 forward converter 需要第三繞組?(10 分)
其他申論題
⑴具有負溫度係數的電力電子開關元件,為何不易並聯(connected in parallel)? (7 分)
#143560
⑵Schottky diode 為何可以減少逆向恢復(reverse recovery)電流?(8 分)
#143561
⑶伏-秒(Volt-Second)的物理量為何?(7 分)
#143562
⑷為何電力電子之轉換器系統需要保持伏-秒平衡?(8 分)
#143563
⑵如圖示之直流降壓轉換器,已知最大責任週期為 Dmax,變壓器的一次側及二次側 繞組匝數分別為 N1 及 N2,請推導出以最大責任週期為 Dmax 及 N1 表示的第三繞組 匝數 N3。(20 分)
#143565
⑴繪出一個基本週期(fundamental period)區間之正弦脈波寬度調變(SPWM)下 的 PWM 波形、載波波形及調變波波形。(15 分)
#143566
⑵何謂三相變頻器之 harmonic injection PWM?(5 分)其優點為何?(5 分)
#143567
⑴具有平均電流控制之單相功率因數校正器,為何其電壓迴路的頻寬必須小於兩倍 線電壓的頻率?(8 分)
#143568
⑵三相整流器的輸入電感值對輸出電壓及功率因數的影響分別為何?(7 分)
#143569
一、甲駕車不愼撞倒乙,致乙身受重傷,送醫住院治療,乙支出新臺幣(下同)10 萬 元醫藥費,喪失勞動能力,致收入減少。乙住院期間,家中價值 50 萬元鑽石珠寶 被盜。出院返家後,乙因腳傷尚未痊癒,爬樓梯時,自樓梯上跌落,身體受傷。此 外,乙因車禍住院,始發現其腦瘤之宿疾,致不堪勝任職務,向所屬機關自動辦理 退休。甲撞傷乙後,駕車逃逸時,於慌亂中,追撞前行車輛,導致前車車身起火, 前車乘客丙下車後因火勢兇猛,為快速逃離現場,將橋縫誤為安全島而跳落橋下受傷。 試問:乙對甲,丙對甲得主張何種權利?(45 分)
#143570