阿摩線上測驗 登入

申論題資訊

試卷:108年 - 108 普通考試_電力工程、電子工程、電信工程:基本電學#78090
科目:基本電學(概要)
年份:108年
排序:0

題組內容

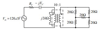
一、如圖一所示之電路,輸入電壓 Vin 為弦波,虛線框框內為理想變壓器, 求5d2d774f1dab3.jpg

申論題內容

⑴當其獲得最大功率傳輸時,XC 應為多少?(10 分)