阿摩線上測驗
登入
首頁
>
建築結構系統
>
96年 - 96 公務升官等考試_薦任_建築工程:建築結構系統#36787
> 申論題
題組內容
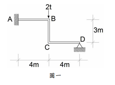
一、圖一所示之剛構架(rigid frame),A 點固定,D 點為鉸支承,B 點受垂直載重 2t 作用,假設各桿件 EI 值相同。
⑴試分析此構架,並繪製軸力圖、剪力圖及彎矩圖。(20 分)
相關申論題
⑵假設本構架使用 H 型鋼,試繪製 B 點及 D 點之構造方式。(10 分)
#102769
⑶假設本構架為鋼筋混凝土,試依彎矩圖繪製主筋之配置方式。(10 分)
#102770
⑴試分析圖二所示桁架(truss)a、b、c 三桿件的軸力。(15 分)
#102771
⑵本桁架中,若將桿件 CD 移除,試研判在所示載重下之結構安全性。(5 分)
#102772
三、茲有一 80m×80m 之文化遺址,上方擬做一 100m×100m 之結構措施(高度自行決 定),以保護此遺址,並提供參觀。假設遺址周邊空曠,試規劃兩種不同類型之大 跨度保護系統,並概略比較此兩種系統之結構性能及施工過程。(20 分)
#102773
⑴橫繫板(horizontal diaphragm)
#102774
⑵挫屈(buckle)
#102775
⑶剪力牆(shear)
#102776
⑷雙曲拋物面薄殼(HP shell)
#102777
(四)連續壁工法中使用穩定液之作用為何?【9 分】
#563592
相關試卷
114年 - 114 專技高考_建築師:建築結構#133658
114年 · #133658
114年 - 114 公務升官等考試_薦任_建築工程:建築結構系統#133157
114年 · #133157
113年 - 113 臺灣菸酒股份有限公司_評價職位人員轉任職員甄試試題_建築工程(北一區)_專業科目 1:建築結構系統、建築構造施工#137380
113年 · #137380
113年 - 113-2 國營臺灣鐵路股份有限公司_從業人員甄試試題_第9階-技術員-建築工程:建築結構系統概要#137152
113年 · #137152
113年 - 113-2 國營臺灣鐵路股份有限公司_從業人員甄試_第8階-助理工程師-建築工程:建築結構系統#137128
113年 · #137128
113年 - 113 國營臺灣鐵路股份有限公司_從業人員甄試_第 8 階-助理工程師-建築工程:建築結構系統#137101
113年 · #137101
113年 - 113 專技高考_建築師:建築結構#123947
113年 · #123947
112年 - 112 臺灣菸酒股份有限公司_評價職位人員轉任職員甄試試題_從業職員_建築(土木)工程_專業科目 1:建築結構系統、建築構造施工#137423
112年 · #137423
112年 - 112 地方政府特種考試_三等_建築工程:建築結構系統#118181
112年 · #118181
112年 - 112 專技高考_建築師:建築結構#117513
112年 · #117513