阿摩線上測驗
登入
首頁
>
電路學
>
102年 - 102 專技高考_電機工程技師:電路學#25512
> 申論題
申論題
試卷:102年 - 102 專技高考_電機工程技師:電路學#25512
科目:電路學
年份:102年
排序:0
申論題資訊
試卷:
102年 - 102 專技高考_電機工程技師:電路學#25512
科目:
電路學
年份:
102年
排序:
0
題組內容
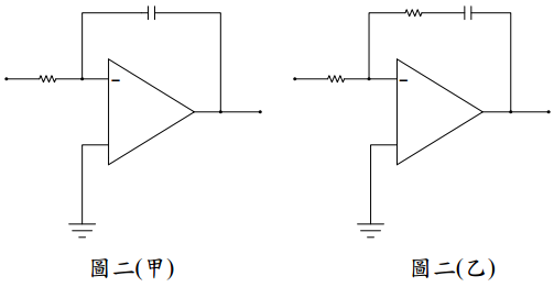
二、圖二(甲)中之運算放大器的輸出與輸入的關係式為:
申論題內容
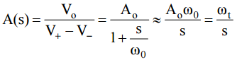
⑵今將圖二(甲)中之電容串接一電阻 r 如圖二(乙)所示,試求 r 值俾使圖二(乙)成為理想 反相積分器。(10 分)