阿摩線上測驗
登入
首頁
>
大地工程學
>
95年 - 095年專門職業及技術人員高等建築師、技師暨普通不動產經紀人、地政士土木工程技師#37037
> 申論題
題組內容
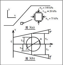
三、圖 3(a)所示為土壤邊坡內部某一元素之應力狀態,若土壤符合 Mohr-Coulomb 破壞準 則,摩擦角φ′為 28
o
,凝聚力 c 為 5 kPa,試依圖 3(b)所示破壞包絡線與莫爾圓關係圖 尋求安全係數 SF = τ
s
/τ
a
之最小值,其中τ
s
、τ
a
分別為該元素在某一截面之剪力強度與 作用剪應力。圖 3(b)A、B 點分別為該元素在不同截面之軸向應力與剪應力,試求:
⑵安全係數τ
s
/τ
a
之最小值為何?(17 分)
相關申論題
⑴何謂壓縮指數 Compression Index Cc,在公制與英制使用上有何區別?試解釋原 因。(4 分)
#104153
⑵如圖 2 所示,地表下方 19m 處有一厚為 6m 之黏土層,上下為排水性良好之砂 土層,地下水原位於地表下方 4m,上層砂土層於地下水位上下有不同單位重, 若持續抽取地下水致使水位低至地表下方 10m,試利用下表該黏土層之壓縮係數 (coefficient of compressibility)av與有效壓密應力之關係,估算該黏土層之最終沉 陷量。註:水單位重為 9.8 kN/m3 。(10 分)
#104154
⑶若該黏土層之壓密係數(coefficient of consolidation)Cv為 5.6×10-2 cm 2 /sec,則達 最終沉陷量一半所需時間為若干年?(6 分)
#104155
⑴該元素主應力之大小與方向(與 x 或 y 軸之相關角度)。(8 分)
#104156
⑴試說明弱面走向(strike),傾向(dip direction)及傾角(dip angle)等之定義, 並配合圖示加以說明(以 XY 軸為水平面,X、Y 軸方向分別指示東方向(E)與 北方向(N))。(8 分)
#104159
⑵有一弱面傾向為 120o ,傾角為 60 o,如何以走向與傾角加以描述?(4 分)
#104160
⑶有那些地質弱面因素會影響岩層內隧道開挖之穩定?(8 分)
#104161
(三)計算含主壓密完成 15 年後之總沉陷量?
#557665
(二)該黏土層受上述荷重 2 年後之沉陷量?
#557664
(一)該黏土之體積壓縮係數 mv。
#557663
相關試卷
114年 - 114 專技高考_土木工程技師:大地工程學(包括土壤力學、基礎工程與工程地質)#133697
114年 · #133697
114年 - 114 專技高考_應用地質技師:大地工程學(包括土壤力學與岩石力學)#133666
114年 · #133666
114年 - 114 專技高考_水利工程技師:大地工程學(包括土壤力學、基礎工程與工程地質)#133611
114年 · #133611
113年 - 113 專技高考_土木工程技師:大地工程學(包括土壤力學、基礎工程與工程地質)#123955
113年 · #123955
113年 - 113 專技高考_應用地質技師:大地工程學(包括土壤力學與岩石力學)#123941
113年 · #123941
113年 - 113 專技高考_水利工程技師:大地工程學(包括土壤力學、基礎工程與工程地質)#123918
113年 · #123918
112年 - 112 專技高考_應用地質技師:大地工程學(包括土壤力學與岩石力學)#117679
112年 · #117679
112年 - 112 專技高考_水利工程技師:大地工程學(包括土壤力學、基礎工程與工程地質)#117676
112年 · #117676
112年 - 112 專技高考_土木工程技師:大地工程學(包括土壤力學、基礎工程與工程地質)#117649
112年 · #117649
111年 - 111 專技高考_應用地質技師:大地工程學(包括土壤力學與岩石力學)#111950
111年 · #111950