阿摩線上測驗
登入
首頁
>
結構學概要與鋼筋混擬土學概要
>
105年 - 105 地方政府特種考試_四等_土木工程:結構學概要與鋼筋混凝土學概要#58653
> 申論題
申論題
試卷:105年 - 105 地方政府特種考試_四等_土木工程:結構學概要與鋼筋混凝土學概要#58653
科目:結構學概要與鋼筋混擬土學概要
年份:105年
排序:2
申論題資訊
試卷:
105年 - 105 地方政府特種考試_四等_土木工程:結構學概要與鋼筋混凝土學概要#58653
科目:
結構學概要與鋼筋混擬土學概要
年份:
105年
排序:
2
題組內容
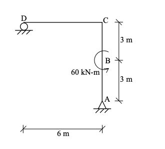
二、如下圖所示之剛架,A 點為鉸接端,D 點為滾支承,在 B 點施加一個 60 kN-m 的彎 矩,請
申論題內容
⑵求 C 點水平位移及旋轉角(各桿件 之 E、I 均相同)(15 分)