阿摩線上測驗
登入
首頁
>
電子學
>
104年 - 104 地方政府特種考試_三等_電力工程、電子工程、電信工程:電子學#35574
> 申論題
申論題
試卷:104年 - 104 地方政府特種考試_三等_電力工程、電子工程、電信工程:電子學#35574
科目:電子學
年份:104年
排序:0
申論題資訊
試卷:
104年 - 104 地方政府特種考試_三等_電力工程、電子工程、電信工程:電子學#35574
科目:
電子學
年份:
104年
排序:
0
題組內容
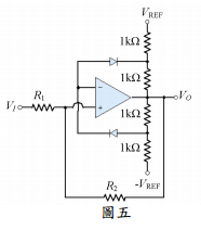
四、如圖五所示,此電路之功能為 Noninverting Schmitt trigger,二極體導通電壓為 Vγ: (每小題 10 分,共 20 分)
申論題內容
⑵畫出 V
O
/V
I
之關係圖。