阿摩線上測驗
登入
首頁
>
輸配電學
>
104年 - 104年關務人員、104年身心障礙人員、104年國軍上校以上軍官轉任考身障特考四等_電力工程#29927
> 申論題
申論題
試卷:104年 - 104年關務人員、104年身心障礙人員、104年國軍上校以上軍官轉任考身障特考四等_電力工程#29927
科目:輸配電學
年份:104年
排序:0
申論題資訊
試卷:
104年 - 104年關務人員、104年身心障礙人員、104年國軍上校以上軍官轉任考身障特考四等_電力工程#29927
科目:
輸配電學
年份:
104年
排序:
0
題組內容
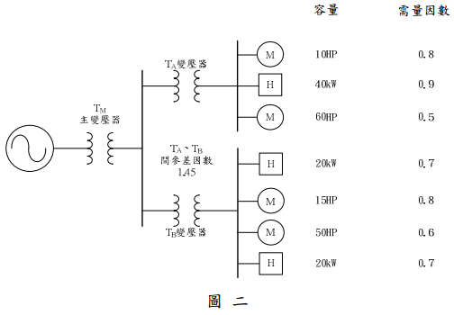
二、某用戶其配電系統及負載個別需量因數如圖二所示,試求:
申論題內容
⑵若整體總功率因數 pf = 1,月負載因數為 70%,該用戶月用電多少度?(10 分)