阿摩線上測驗
登入
首頁
>
電工機械(概要、大意)
>
107年 - 107 地特四等 電工機械概要#73529
> 申論題
申論題
試卷:107年 - 107 地特四等 電工機械概要#73529
科目:電工機械(概要、大意)
年份:107年
排序:0
申論題資訊
試卷:
107年 - 107 地特四等 電工機械概要#73529
科目:
電工機械(概要、大意)
年份:
107年
排序:
0
題組內容
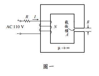
一、參考圖一之磁路,繞組接至交流 110 V、60 Hz 之電源後,繞組電流 I 為 5 A。 若氣隙 g=2.15 mm,氣隙截面積 A=25 cm
2
,繞組之電阻及鐵心之磁阻皆 可不計(
)。
申論題內容
⑵計算繞組的匝數 N。(15 分)