阿摩線上測驗
登入
首頁
>
電力電子學
>
106年 - 106 高等考試_二級_電力工程:電力電子#65255
> 申論題
題組內容
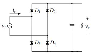
四、如圖所示為全波整流器:
⑵請繪出連續電流模式與不連續電流模式之電源電流波形。
相關申論題
一、⑴對於非弦波狀況下系統視在功率 S 之計算,除了實功 P 與虛功 Q 之外,尚須包含 失真伏─安 D(Distortion Volt-Amps),請寫出 D 之計算式。
#262094
⑵將一弦波電壓源施加至一非線性負載,其電流波形之失真因數 DF(Distortion Factor)為何?對功率因數有何影響?
#262095
二、電流 i = 10 sin(377t)A 流經某一元件,當該元件為⑴6 Ω之電阻器;⑵12 mH 之電感 器;⑶24 V 之電源(電流流進其正端)時,請繪出其瞬時功率波形,並計算負載元 件所吸收的平均功率 Pav。
#262096
三、⑴再生能源發電系統中,電力電子轉換器之作用為何?
#262097
⑵電力電子系統在穩態週期性情形下,為何電感之平均電壓為零?
#262098
⑴請根據下圖之電路,繪出升壓型之功率因數修正電路。
#262099
(五)若直流鏈電壓命令= 400 V,穩態下控制信號峰值與三角波信號峰值之比例約為?
#554301
(四)在何種狀況下,開關 SW 需要投入,使電阻 R 跨接於電壓?
#554300
(三)簡要畫出控制器 A 內各方塊圖。
#554299
(二)若考慮低頻諧波成分對三相電網的影響,直流鏈電壓命令最少應設為多少伏特?
#554298
相關試卷
114年 - 114 台灣電力公司_大學及研究所獎學金甄選試題_電力電子:電力電子#137061
114年 · #137061
114年 - 114 高等考試_二級_電力工程:電力電子#131608
114年 · #131608
113年 - 113 台灣電力公司大學及研究所獎學金甄選試題_電力電子:電力電子#129259
113年 · #129259
113年 - 113 高等考試_二級_電力工程:電力電子#123066
113年 · #123066
112年 - 112 台灣電力公司大學及研究所獎學金甄選試題_電力電子:電力電子#129261
112年 · #129261
112年 - 112 高等考試_二級_電力工程:電力電子#116758
112年 · #116758
111年 - 111 高等考試_二級_電力工程:電力電子#111034
111年 · #111034
110年 - 110 高等考試_二級_電力工程:電力電子#101928
110年 · #101928
109年 - 109 高等考試_二級_電力工程:電力電子#91547
109年 · #91547
108年 - 108 高等考試_二級_電力工程:電力電子#79568
108年 · #79568