阿摩線上測驗
登入
首頁
>
汽車電機學
>
109年 - 109 高等考試_三級_汽車工程:汽車電機學#88503
> 申論題
題組內容
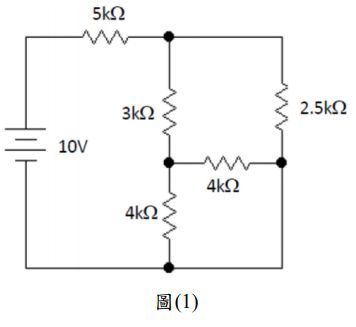
二、如圖(1)所示電路圖,請利用戴維寧定理(Thevenin's Theorem)試求下列 諸題:(每小題10分,共20分)
⑵請計算流過電阻2.5 kΩ之電流及其電壓分別為何?
相關申論題
⑴電磁波干擾可能造成訊息傳輸重大的損失,CAN BUS如何防止訊號不 受干擾?
#358504
⑵CAN BUS終端電阻有何功用?
#358505
⑴請畫出戴維寧等效電路圖。
#358506
⑴X-by-Wire
#358508
⑵OBD
#358509
⑶Short to Voltage
#358510
⑷State-of-Charge of a Battery
#358511
⑸Auto Stop & Go System
#358512
⑴假如溫度感測器的輸入電壓源是5 V。當50 ℃,溫度感測器之輸出電壓是 1.0 V。則當溫度是100 ℃時,請問溫度感測器之輸出電壓是多少?
#358514
⑵情境:當引發冷卻水溫度達到100 ℃時,要使電動冷卻風扇自
#358515
相關試卷
112年 - 112 高等考試_三級_汽車工程:汽車電機學#115422
112年 · #115422
111年 - 111 高等考試_三級_汽車工程:汽車電機學#109439
111年 · #109439
110年 - 110 高等考試_三級_汽車工程:汽車電機學#102354
110年 · #102354
109年 - 109 高等考試_三級_汽車工程:汽車電機學#88503
109年 · #88503
108年 - 108 高等考試_三級_汽車工程:汽車電機學#77932
108年 · #77932
107年 - 107 高等考試_三級_汽車工程:汽車電機學#70892
107年 · #70892
106年 - 106 高等考試_三級_汽車工程:汽車電機學#63051
106年 · #63051