阿摩線上測驗
登入
首頁
>
電機機械
>
100年 - 100年專門職業及技術人員高等建築師、技師、第2次食品技師暨普通不動產經紀人、記帳士考高等_機械工程技師#38972
>
題組內容
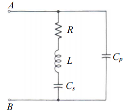
一、下圖為一個石英晶體的等效電路,
⑵諧振頻率。(5 分)
其他申論題
七、變數若採用子區間(subrange)宣告方式,則實作上宜採用什麼方式配合?請探討之。(10分)
#115770
⑴非遞迴副程式呼叫時,需要下列三者中之何者方能完成?
#115771
⑵遞迴副程式呼叫時,需要下列三者中之何者方能完成? CEP:Current-Environment Pointer CIP:Current-Instruction Pointer DAR:Dynamic Activation Record 試說明其原因。(20 分)
#115772
求⑴阻抗ZAB(s)。(5 分)
#115773
二、一只 200 匝的線圈繞在截面積為 2 平方吋及平均長度為 20 吋的退火鋼製疊片鐵心 上。疊層因數為 0.90 而最大許可通量密度(flux density)為 80 千線/平方吋。 計算應施加於此線圈接端的最大 60 Hz 正弦電壓的有效值。漏磁通及線圈電阻略去 不計。(20 分)
#115775
【已刪除】三、在下圖的電路中,開關S已打開一段時間,而且於t = 0 時閉合。對t ≥ 0 求vo(t)與i(t) 。(20 分)
#115776
⑴相依電源中的電功率?並敘明是供給或吸收?(5 分)
#115777
⑵電阻 2 kΩ 所散逸的功率?(5 分)
#115778
⑴求匝比及每一繞組的額定電流。
#115779
⑵就⑴參考高壓側及⑵參考低壓側的數值,分別求出對應於滿載的負載阻抗數值。
#115780