阿摩線上測驗
登入
首頁
>
電力系統
>
102年 - 102年身心障礙人員考三等_電力工程#34187
> 申論題
申論題
試卷:102年 - 102年身心障礙人員考三等_電力工程#34187
科目:電力系統
年份:102年
排序:0
申論題資訊
試卷:
102年 - 102年身心障礙人員考三等_電力工程#34187
科目:
電力系統
年份:
102年
排序:
0
題組內容
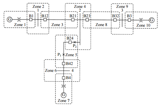
五、某電力系統之各差動保護區域如下圖所示,包括發電機、輸電線與匯流排之差動保 護區域,並假設均裝設有差動保護電驛,請說明:
申論題內容
㈡當短路故障發生於圖中 P
1
處,則那些斷路器會跳脫?(7 分)