阿摩線上測驗
登入
首頁
>
捷運◆電子概論
>
114年 - 114 臺北捷運公司_新進工程員(三)甄試試題:電子概論#128988
> 申論題
申論題
試卷:114年 - 114 臺北捷運公司_新進工程員(三)甄試試題:電子概論#128988
科目:捷運◆電子概論
年份:114年
排序:0
申論題資訊
試卷:
114年 - 114 臺北捷運公司_新進工程員(三)甄試試題:電子概論#128988
科目:
捷運◆電子概論
年份:
114年
排序:
0
申論題內容
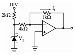
三、如下圖所示之運算放大器電路中,V
Z
為稽納二極體的崩潰電壓,若 V
Z
= 6V,試問在正常工作下的 I
f
為何?(共 20 分)