阿摩線上測驗
登入
首頁
>
機械原理(機械概論、大意)
>
100年 - 100中央造幣-機械原理#93846
> 申論題
題組內容
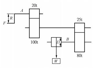
題目三: 如下圖所示之起重機輪系,曲柄長 R=16cm,捲筒直徑 D=16cm,請回答下列問題:
(二)機構之機械利益 M 為多少?【8 分】
相關申論題
題目一: 在四連桿機構中,以四連桿之組合依其固定位置之不同,請繪製簡圖並舉實例說明該機 構之動作原理。【25 分】
#386872
題目二: 以齒輪的製造為主題,從胚料到成品,請選定一種材質的齒輪,並敘述其製作過程及應 注意事項。【25 分】
#386873
(一)機構之輪系值 e 為多少?【8 分】
#386874
(三)今欲吊起重量 W=640N 之重物時,曲柄上需施力 F 為多少 N?【9 分】
#386876
(一)若去程時間為 t1,回程時間為 t2,則去回時間 t1 / t2 比為多少?【9 分】
#386877
(二)若往復一次需時 6 秒,則去程時間為幾秒?【8 分】
#386878
(三)若往復一次需時 12 秒,則回程時間為幾秒?【8 分】
#386879
(二)試求下圖之彈簧組合系統的總彈簧常數。(10分)
#537935
五、(一)請列出四種彈簧種類,並於每類彈簧各舉至少一個具代表性的彈簧元件。(15分)
#537934
(二)何謂鏈條傳動的弦線作用?如何減少鏈條傳動之弦線作用?(10分)
#537933
相關試卷
114年 - 114 關務特種考試_四等_機械工程(選試英文):機械原理概要#126566
114年 · #126566
113年 - 113-2 國營臺灣鐵路股份有限公司_從業人員甄試試題_第10階-助理技術員:機械原理概要#125611
113年 · #125611
113年 - 113 臺灣菸酒股份有限公司_年從業職員及從業評價職位人員甄試試題_從業評價職位人員:機械概論#123491
113年 · #123491
113年 - 113 中央印製廠新進人員甄試試題_印製技術員:機械概論#123139
113年 · #123139
113年 - 113 關務特種考試_四等_機械工程(選試英文):機械原理概要#119482
113年 · #119482
112年 - 112 中央銀行所屬中央印製廠、中央造幣廠_新進人員聯合甄試試題_印製技術員/機械技術員:機械概論#120212
112年 · #120212
112年 - 112 地方政府特種考試_四等_機械工程:機械原理概要#118123
112年 · #118123
112年 - 112 原住民族特種考試_四等_機械工程:機械原理概要#116511
112年 · #116511
112年 - 112 普通考試_機械工程:機械原理概要#115401
112年 · #115401
112年 - 112 鐵路特種考試_員級_機械工程:機械原理概要#114870
112年 · #114870