阿摩線上測驗
登入
首頁
>
基本電學(概要)
>
102年 - 102 中華郵政股份有限公司_專業職(一)/電力工程:基本電學#28770
> 申論題
題組內容
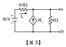
題目三: 依【圖 3】所示的電路,請回答下列問題:
(二)求端點 a 與 b 的戴維寧等效電壓 Vth。【5 分】
相關申論題
(一)該用戶五、六月份兩個月的總用電度數。【10 分】
#57838
(二)五、六月份兩個月的電費總額。(請以【表 2】電價表計算之。提示:每 2 個月才 抄一次電錶)【15 分】
#57839
(一)v1及 v2分別為多少?【10 分】
#57840
(二)如果 40 O 的電阻是一個可變電阻,要使該電阻器得到最大功率轉移,則應將該 電阻器的電阻值調整到何值時,才可以得到最大功率轉移?【5 分】此時最大功 率為多少?【10 分】
#57841
(一)求端點 a 與 b 的戴維寧等效電阻 Rth。【5 分】
#57842
(三)若端點 a 與 b 短路時,則由 a 點流到 b 點的電流為多少?【5 分】
#57844
(四)若在端點 a 與 b 之間連接電阻 RL,欲使 RL 獲得最大功率,則 RL 應選擇多少歐 姆?RL的最大功率為多少?【10 分】
#57845
(一)電源vs 的電壓有效值為何?【5 分】
#57846
(二)此電路的諧振頻率 f0 為何?【5 分】
#57847
(三)當 f s< f0 時, f s增加對此電路的阻抗大小與功率因數之影響為何?功率因數為超前 或落後?【5 分】
#57848
相關試卷
114年 - 114 關務特種考試_四等_電機工程(選試英文):基本電學#126651
114年 · #126651
113年 - 113 關務特種考試_四等_電機工程(選試英文)、電機工程(選試日文):基本電學#119481
113年 · #119481
112年 - 112 地方政府特種考試_四等_電力工程、電子工程、電信工程:基本電學#118330
112年 · #118330
112年 - 112 普通考試_電力工程、電子工程、電信工程:基本電學#115756
112年 · #115756
112年 - 112 關務特種考試_四等_電機工程:基本電學#113949
112年 · #113949
111年 - 111 地方政府特種考試_四等_電力工程、電子工程、電信工程:基本電學#112594
111年 · #112594
111年 - 111 中華郵政股份有限公司_職階人員資產營運及工程類科甄試試題_專業職(一)/電力工程:基本電學#111525
111年 · #111525
111年 - 111 普通考試_電力工程、電子工程、電信工程:基本電學#109349
111年 · #109349
111年 - 111 關務特種考試_四等_電機工程:基本電學#107497
111年 · #107497
111年 - 111 身心障礙特種考試_四等_電子工程:基本電學#107486
111年 · #107486