阿摩線上測驗
登入
首頁
>
電子學
>
101年 - 101 中央造幣廠_新進人員甄試_評價職位/電機技術員:電子學概要#93822
> 申論題
申論題
試卷:101年 - 101 中央造幣廠_新進人員甄試_評價職位/電機技術員:電子學概要#93822
科目:電子學
年份:101年
排序:0
申論題資訊
試卷:
101年 - 101 中央造幣廠_新進人員甄試_評價職位/電機技術員:電子學概要#93822
科目:
電子學
年份:
101年
排序:
0
題組內容
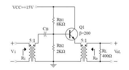
題目二: 如下圖所示電路,在正常工作情形下,假設 Q
1
電晶體 ß 值為 200,
, 請回答下列問題:
申論題內容
(二)Q
1
電晶體電路直流分析,試求下列直流工作點之電流、電壓:
2.集極電流
為何?【3 分】