阿摩線上測驗
登入
首頁
>
電子學
>
100年 - 100 中央造幣廠_新進人員甄試_評價職位/電機技術員:電子學概要#93827
> 申論題
申論題
試卷:100年 - 100 中央造幣廠_新進人員甄試_評價職位/電機技術員:電子學概要#93827
科目:電子學
年份:100年
排序:0
申論題資訊
試卷:
100年 - 100 中央造幣廠_新進人員甄試_評價職位/電機技術員:電子學概要#93827
科目:
電子學
年份:
100年
排序:
0
題組內容
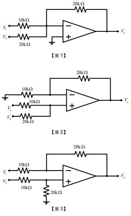
題目四: 下列圖示為運算放大器(operational amplifier)應用電路,假設運算放大器為理想特性,請求:
申論題內容
(1)【圖 1】中,若輸入電壓 V
1
=3V、V
2
=2V,則輸出電壓 V
0
為多少?【9 分】