阿摩線上測驗
登入
首頁
>
國營事業◆1.大地工程學 2.結構設計
>
102年 - 102 經濟部所屬事業機構_新進職員甄試_土木:1.大地工程學 2.結構設計#28378
> 申論題
申論題
試卷:102年 - 102 經濟部所屬事業機構_新進職員甄試_土木:1.大地工程學 2.結構設計#28378
科目:國營事業◆1.大地工程學 2.結構設計
年份:102年
排序:0
申論題資訊
試卷:
102年 - 102 經濟部所屬事業機構_新進職員甄試_土木:1.大地工程學 2.結構設計#28378
科目:
國營事業◆1.大地工程學 2.結構設計
年份:
102年
排序:
0
題組內容
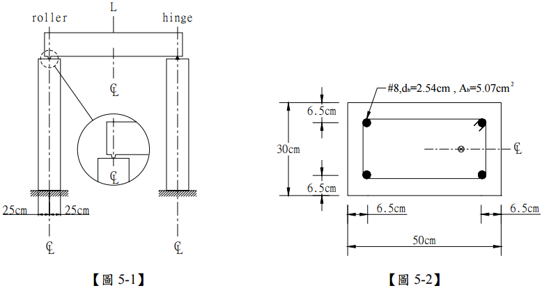
五、有一結構系統由兩根相同之橫箍柱和一根簡支樑所組成如【圖 5-1】所示,而其橫箍柱之 斷面如【圖 5-2】所示。若不計桿件自重,且材料性質為 f'
c
= 210 kg/cm
2
,f
y
= 4200 kg/cm
2
,E
s
= 2.04×106 kg/cm
2
,試回答下列問題:
申論題內容
(一)試以純軸力狀態、平衡狀況及純樑狀態等三點,簡化為折線方式求 P
n
-M
n
交互影響曲 線(Inteaction Curve)。(10 分)