題組內容
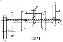
4.一斜齒輪周轉輪系各齒輪之齒數如【圖 3】所示,斜齒輪 2、3 可於 S 軸上自由旋轉,P 固定 於 S 軸。短軸 A 固定於 P 上,斜齒輪 4 在短軸 A 上自由轉動與斜齒輪 2、3 嚙合。當齒輪 5 轉 速為+50 rpm ( + 為順時針, - 為逆時針)時,試問:(20 分)
(3)齒輪 7 之轉速與轉向為何?(5 分)
詳解 (共 3 筆)
詳解
N7=-10
詳解
N7=+50rpm
詳解
10 逆