阿摩線上測驗
登入
首頁
>
轉學考-電路學
>
102年 - 102 淡江大學 轉學考 電路學#53030
>
題組內容
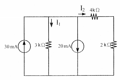
1. Consider the following circuit
(a) Find I
1
and I
2
. (10%)
其他申論題
(b) Find power supply of each source. (10%)
#192880
(a) Find V0. (10%)
#192881
(b) Find I0. (10%)
#192882
(a) Find V0. (10%)
#192883
(b) Find I0. (10%)
#192884
【已刪除】4. Find Thevenin equivalent circuit between a and b. (20%)
#192885
【已刪除】5. Find v(0), i(0) and di(0)/dt. (20%)
#192886
請挑選三件造型相異的隨身攜帶物品•置於桌上,並透過你所選取的特定視點.以此三項物 品為主要對象加以佈局、並展開整體的構圖及描繪。 構圖與描繪時.請注意下列事項: 1.請準確描繪各物品的三維形體特性。 2.請利用各物品的相對大小來描述彼此的遠近關像,以形成空間感。 3.使用陰影來加強各物品的三維狀態以及其在整體佈局中的相對位置。 4.請善用技法筆觸來表達各物品的表面質感。 5.注意整體構圖•使整張版面形成一具有特色的完整衋作。
#192887
請挑選三件造型相異的隨身攜帶物品•置於桌上,並透過你所選取的特定視點.以此三項物 品為主要對象加以佈局、並展開整體的構圖及描繪。 構圖與描繪時.請注意下列事項: 1.請準確描繪各物品的三維形體特性。 2.請利用各物品的相對大小來描述彼此的遠近關像,以形成空間感。 3.使用陰影來加強各物品的三維狀態以及其在整體佈局中的相對位置。 4.請善用技法筆觸來表達各物品的表面質感。 5.注意整體構圖•使整張版面形成一具有特色的完整衋作。
#192888
教堂中心設計—建築的場所與意象塑造 教堂,是一個人與神,人與人交會的宗教性場所,尤其在都市中的教堂讓個人與神的交會亦不再只是純粹的宗 教意義,而是藉由宗教性空間得到心理的慰藉。由於它的宗教性的需求及人們的心理需求,光線、動線、質感 與空間之序列,往往是這種場所空間的重要元素。 設計緣起: 某天主教(或基督教)教會擬在都市中傳統廟埕老街的長條街屋上,設立一個教堂中心,以宣揚教義並促進社 區居民的交誼互動。爲了讓社區朋友們多多認識神的恩典,教會也透過各種社區性質的活動,譬如組織社區樂 團,教授英、日語等課程,與社區內的青少年及退休銀髮族互動。其空間內容包括如聖堂、教會行政處、社區 圖書館、教室、與開放空間及其他附屬設施。 空間需求: 1. 聖堂一容納60人以上及各種必要設施,以供作禮拜及彌撒之用,室內空間需表達教堂的空間意象與氣氛。 2. 教會行政空間一供專任行政人員辦公之用,須辦公室2間。(每單元面積30 M2),另需一專屬會議室(30 M2) 3. 社區圖書館一開放社區使用容納至少30人同時使用,並有適當的藏書空間及管理人員的空間(120 M2)。 4. 教室一提供社區居民讀經、講座與硏習等活動場所,計須教室2間(每單元面積60 M2)。 5. 宿舍一兩位神職人員宿舍與生活必須空間,計須2間(每單元面積15M2) 6. 其他必須之附屬空間(如:門廳、會客室、男女廁、守衛室、機械室等)。 7. 2個汽車停車位,10個機車停車位。 8. 戶外的景觀設施與開放空間。須考慮無障礙環境設施。 基地條件: 基地位於台灣某都市中傳統老街的基地內,是「連棟街屋」中閒置的空地。基地大小爲5.5m x 40m之長形基地, 南北座向,臨8M街道,位於街道南側,騎樓3.5M深。面4M後巷。基地兩側均爲三層既有鄰房,雙披斜屋頂。 其中建蔽60%,容積率180%。 圖面要求: 1 ■ 設計槪念約150字(請配合關鍵字和diagrams說明) 2. 各層平面圖1/100 3. 二向剖面圖1/100 4. 二側立面圖1/100 5. 其它有助表達設計內容與想法的圖面(例如透試圖、爆炸圖等)
#192889