阿摩線上測驗
登入
首頁
>
升資考/士級晉佐級◆電工原理大意
>
98年 - 98 交通事業郵政升資考試_士級晉佐級_技術類:電工原理大意#38321
>
題組內容
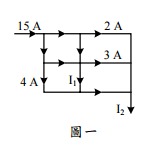
一、圖一所示箭頭方向代表電流方向,試求:
⑴I
1
之值。(5 分)
其他申論題
⑵繪製此桿件沿半徑的剪應力分佈圖。(15 分) 20 10 圖A
#112893
【已刪除】三、圖B所示的平面桁架中,L = 4 m,各桿件AE值為常數且相同。當節點 2 承受一個向 右的水平力P時,P = 10 kN,求桿件 24 與 14 的內力。(25 分)
#112894
⑴以直接勁度法,求考慮邊界條件後的結構勁度矩陣。(7 分) (勿以下面子題的數值代入本子題)
#112895
⑵假設l = 5 m,E = 200 GPa,I = 500×106 mm4。利用勁度矩陣求節點b、節點c的轉 角與梁cd的彎矩Mcd、Mdc(單位限使用kN-m)。(18 分) 注意:本題若使用其他方法,以零分計。
#112896
⑵I2之值。(5 分)
#112898
二、在導線繞 100 匝的線圈中,若磁力線在 0.5 秒內由 1 韋伯增至 6 韋伯,則此線圈感 應之平均電勢為若干伏特?(10 分)
#112899
⑴從ab兩端往電源端看進去之戴維寧等效電路。(5 分)
#112900
⑵在ab兩端加入負載電阻RL,求輸出功率最大時之RL值及其所獲得之功率。(10 分)
#112901
【已刪除】四、假設磁力線為 104 韋伯,垂直通過圖三所示之截面積,試求此物體內之磁通密度 (單位:韋伯/米2 )。(10 分)
#112902
⑴電壓降V2、V3。(5 分)
#112903