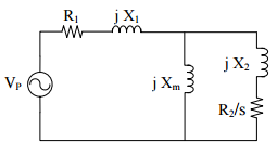
四、乙廠房內有 1 部 4 極、5 匹馬力(hp)的 3 相感應電動機,其定子繞組採 Δ 接方式。 此 3 相感應電動機之額定端電壓、頻率及轉速分別為 220 伏特(V) 、60 赫茲(Hz)、 1764 轉/分(rpm) ;此外該電動機在進行無載、轉子堵轉及直流試驗時,所得數據經 分析計算得知定子側單相等效電路(如圖所示)中,定子繞組等效阻抗(Z
1) 、激磁 電抗(jX
m)及轉子繞組等效阻抗(Z
2)分別如下: (假設鐵損可忽略,且圖中 s 為轉 差率)
Z1= R1+jX1=(0.1+j2.0) (Ω)
jXm=(j48.0)(Ω)
Z
2= R
2+jX
2=(0.2+j2.0) (Ω)
