阿摩線上測驗
登入
首頁
>
高等電子電路學
>
98年 - 98 公務升官等考試_簡任_電子工程:高等電子電路學研究(包括類比與數位)#47669
> 申論題
申論題
試卷:98年 - 98 公務升官等考試_簡任_電子工程:高等電子電路學研究(包括類比與數位)#47669
科目:高等電子電路學
年份:98年
排序:0
申論題資訊
試卷:
98年 - 98 公務升官等考試_簡任_電子工程:高等電子電路學研究(包括類比與數位)#47669
科目:
高等電子電路學
年份:
98年
排序:
0
題組內容
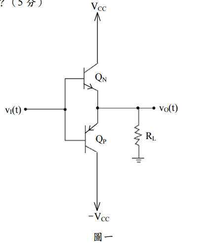
二、圖一所示為一由雙極性電晶體(BJT)Q
p
, Q
N
所構成之B類放大器,其輸出負載電阻 為R
L
,所有電容效應皆可忽略。
申論題內容
⑵忽略⑴中的失真現象,並設輸出信號v
0
(t)為一振幅為V
om
之弦波,請計算此放大器 之效率(η),並以V
cc
, V
om
等參數表示之。(5 分)