阿摩線上測驗
登入
首頁
>
機械原理(機械概論、大意)
>
104年 - 104年原住民族四等機械原理概要#41236
> 申論題
題組內容
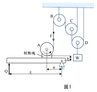
一、如圖 1 所示,起重滑車組由三個單槽輪 B、C、D 組成,即由 1 個定滑輪 B 與 2 個 動滑輪 C、D 所組成。假設定滑輪 B 側的拉引繩纏繞並固定在另一定滑輪 A 上,而 定滑輪 A 與煞車鼓輪軸固定在一起,且兩者半徑相同,擬由一制動器加以煞車。假 設滑輪的重量不予考慮,滑輪 A、B、C、D 的半徑分別為 r
A
、r
B
、r
C
、r
D
,制動塊 與煞車鼓輪間的摩擦係數為 μ,欲將鼓輪煞住,使負荷 W 靜止:
⑵此起重滑車組的機械利益為何?(5 分)
相關申論題
⑴試求定滑輪 B 側繩索的張力 F 為何?(5 分)
#127871
⑶試求需施加的制動力 Q 為何?(10 分) B C F D A 制動塊 b W a Q c 圖1
#127873
二、有一壓縮彈簧,施以 250 N 之壓力時,量得彈簧長度為 60 mm;施以 300 N 之壓力 時,量得彈簧長度為 50 mm。若施以 100 N 的壓力時,試求解所量得彈簧的長度為 何?(10 分)
#127874
⑴試分別說明何謂機械利益與機械效率。(10 分)
#127875
⑵螺旋起重機的螺紋導程為 L=4 cm,手柄長為 H=200 cm,機械效率為 50%,則 機械利益為何?(10 分)
#127876
⑴試求輸出齒輪 D 的節圓直徑 Dc 為何?(10 分)
#127877
⑵試求輸出軸相對於輸入軸的轉數比為何?(10 分)
#127878
⑴試求此滑塊曲柄機構的自由度。(5 分)
#127879
⑵求解瞬心的數目為何?(5 分)
#127880
⑶試繪製連桿簡圖並標示所有瞬心的位置。(10 分)
#127881
相關試卷
114年 - 114 關務特種考試_四等_機械工程(選試英文):機械原理概要#126566
114年 · #126566
113年 - 113-2 國營臺灣鐵路股份有限公司_從業人員甄試試題_第10階-助理技術員:機械原理概要#125611
113年 · #125611
113年 - 113 臺灣菸酒股份有限公司_年從業職員及從業評價職位人員甄試試題_從業評價職位人員:機械概論#123491
113年 · #123491
113年 - 113 中央印製廠新進人員甄試試題_印製技術員:機械概論#123139
113年 · #123139
113年 - 113 關務特種考試_四等_機械工程(選試英文):機械原理概要#119482
113年 · #119482
112年 - 112 中央銀行所屬中央印製廠、中央造幣廠_新進人員聯合甄試試題_印製技術員/機械技術員:機械概論#120212
112年 · #120212
112年 - 112 地方政府特種考試_四等_機械工程:機械原理概要#118123
112年 · #118123
112年 - 112 原住民族特種考試_四等_機械工程:機械原理概要#116511
112年 · #116511
112年 - 112 普通考試_機械工程:機械原理概要#115401
112年 · #115401
112年 - 112 鐵路特種考試_員級_機械工程:機械原理概要#114870
112年 · #114870