阿摩線上測驗
登入
首頁
>
電子學
>
102年 - 102 高等考試_三級_電力工程、電子工程、電信工程:電子學#44063
> 申論題
申論題
試卷:102年 - 102 高等考試_三級_電力工程、電子工程、電信工程:電子學#44063
科目:電子學
年份:102年
排序:0
申論題資訊
試卷:
102年 - 102 高等考試_三級_電力工程、電子工程、電信工程:電子學#44063
科目:
電子學
年份:
102年
排序:
0
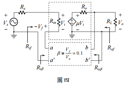
題組內容
四、圖四之串並(series-shunt)迴授放大器,β =0.1,μ =1440 V/V,R
in
=R
s
=R
iβ
=1 kΩ, R
o
=25 kΩ,R
oβ
=R
L
=50 kΩ。
申論題內容
⑵求算由 Rs 往右側看之迴授放大器輸入電阻 R
if
。(5 分)