阿摩線上測驗
登入
首頁
>
電子學
>
101年 - 101 專技高考_專利師:電子學#44618
> 申論題
申論題
試卷:101年 - 101 專技高考_專利師:電子學#44618
科目:電子學
年份:101年
排序:0
申論題資訊
試卷:
101年 - 101 專技高考_專利師:電子學#44618
科目:
電子學
年份:
101年
排序:
0
題組內容
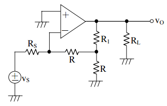
四、如下圖所示,為一由理想運算(OP)放大器所構成的回授放大器:
申論題內容
⑵畫出此電路的回授網路,並以放大器輸入端與輸出端的連接方式來說明此電路的 回授型態(feedback topology)。(10 分)