阿摩線上測驗
登入
首頁
>
電工機械(概要、大意)
>
101年 - 101年四等關務特考電工機械概要#45321
> 申論題
申論題
試卷:101年 - 101年四等關務特考電工機械概要#45321
科目:電工機械(概要、大意)
年份:101年
排序:0
申論題資訊
試卷:
101年 - 101年四等關務特考電工機械概要#45321
科目:
電工機械(概要、大意)
年份:
101年
排序:
0
題組內容
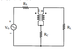
一、如下圖的電路示意圖。若V
G
=1 V∠0°,R
S
=R
L
=R
C
=1 Ω,且變壓器為無功耗理想情況。 求:
申論題內容
⑵負載端(Load)最大可消耗之功率?(5 分)